ПромБелКомпани
Барановичи ул. Брестская,124Г
+375 33 366-99-27
+375 33 366-99-64
Заказать звонок
Компания
О компании
Производители
Вакансии
Реквизиты
Услуги
Ремонт
  • Ремонт гидравлики
  • Ремонт гидронасосов
    • Bosch Rexroth
    • Sauer Danfoss
    • BONDIOLI & PAVESI
    • Poclain Hydraulics
    • Kawasaki
    • Casappa
    • Parker
    • PWG
    • Гидросила
    • PSM-Hydraulics
    • MOOG
    • Eaton
    • Kayaba
    • Linde
    • Салео (Хорда-Гидравлика, Гидропривод)
    • SAMHYDRAULIK
    • ORENSTEIN & KOPPEL
    • John Deere
  • Ремонт гидромоторов
    • Bosch Rexroth
    • Poclain Hydraulics
    • Parker
    • Sauer Danfoss
    • BONDIOLI & PAVESI
    • Eaton
    • Casappa
    • Салео (Гидропривод)
    • PSM-HYDRAULICS
    • Гидросила
    • Pleiger
    • SAI
    • Linde
    • WHITE DRIVE PRODUCTS
    • Samhydraulik
    • John Deere
    • Liebherr
  • Ремонт гидрораспределителей
    • Bosch Rexroth
    • JCB
    • JOHN DEERE
    • Sauer Danfoss
    • АМКОДОР
  • Ремонт гидроцилиндров
  • Ремонт коробок передач (ГМП, АКПП)
    • Dana Spicer
    • JCB
    • JOHN DEERE
    • Sauer Bibus
    • WALTERSCHEID
    • WALTERSCHEID & SAUER BIBUS ICVD
    • ZF
    • ГМП Амкодор
  • Ремонт редукторов
  • Ремонт мостов
    • Carraro
    • Class
    • Dana Spicer
    • JCB
    • Manitou
  • Ремонт пневмогидроаккумуляторов, ПГА с блоком зарядки
  • Ремонт блоков управления (джойстиков)
Запчасти
Общий каталог
  • Гидромоторы
  • Гидронасосы
  • Запчасти для гидромоторов
  • Запчасти для гидронасосов
  • Гидростатические трансмиссии (ГСТ 90, ГСТ 112)
  • Гидрораспределители
  • Гидроцилиндры
  • Гидростанции
  • Коробки передач (гмп,акпп)
  • Мембранные насосы
  • Редукторы
  • Пневмогидроаккумуляторы
  • Насос-дозаторы
  • Тормозные краны
  • Гидравлические клапаны (гидроклапаны)
  • Блоки управления/ клапаны управления/ джойстики
  • Погрузочное оборудование
  • Фильтры и фильтроэлементы
  • Двигатели
  • Гидроприводы
  • Мосты
  • Муфты, полумуфты, шестерни, шкивы
  • Радиаторы/блоки радиаторов
  • Рамы
  • Резинотехнические изделия (РТИ)
  • Шины, колёса, диски
  • Электромагнитные клапана, катушки, соленоиды
  • Электроника для станков ЧПУ (CNC)
  • Ящики складские
  • Другое
  • Ещё
Запчасти для погрузчиков
  • Гидравлика
  • Шины, диски, колеса
  • Мосты и комплектующие
  • Редуктор Отбора Мощности (РОМ)
  • ГГМП/АКПП
  • Оборудование погрузочное
  • Карданы
  • Электрика
  • РТИ
  • Рукава РВД
  • Фильтры
  • Амкодор
  • Другое
  • Ещё
Сельхозтехника
  • Трактора
  • Комбайны
  • Погрузчики
  • Посевные и почвообрабатывающие агрегаты
  • Прицепы
  • Другая сельхозтехника
  • Косилки
Лесная техника
  • Харвестеры
  • Форвардеры
  • Манипуляторы/лесовозные тележки
  • Погрузчики
  • Рубильные машины
  • Трактора
  • Другое
Строительная и дорожная техника
  • Погрузчики
  • Экскаваторы
  • Экскаваторы-погрузчики
  • Трактора
  • Автогрейдеры
  • Катки
  • Косилки
Статьи
Контакты
Отзывы
Компания
  • О компании
  • Производители
  • Вакансии
  • Реквизиты
Услуги
Ремонт
  • Ремонт гидравлики
  • Ремонт гидронасосов
    • Bosch Rexroth
    • Sauer Danfoss
    • BONDIOLI & PAVESI
    • Poclain Hydraulics
    • Kawasaki
    • Casappa
    • Parker
    • PWG
    • Гидросила
    • PSM-Hydraulics
    • MOOG
    • Eaton
    • Kayaba
    • Linde
    • Салео (Хорда-Гидравлика, Гидропривод)
    • SAMHYDRAULIK
    • ORENSTEIN & KOPPEL
    • John Deere
  • Ремонт гидромоторов
    • Bosch Rexroth
    • Poclain Hydraulics
    • Parker
    • Sauer Danfoss
    • BONDIOLI & PAVESI
    • Eaton
    • Casappa
    • Салео (Гидропривод)
    • PSM-HYDRAULICS
    • Гидросила
    • Pleiger
    • SAI
    • Linde
    • WHITE DRIVE PRODUCTS
    • Samhydraulik
    • John Deere
    • Liebherr
  • Ремонт гидрораспределителей
    • Bosch Rexroth
    • JCB
    • JOHN DEERE
    • Sauer Danfoss
    • АМКОДОР
  • Ремонт гидроцилиндров
  • Ремонт коробок передач (ГМП, АКПП)
    • Dana Spicer
    • JCB
    • JOHN DEERE
    • Sauer Bibus
    • WALTERSCHEID
    • WALTERSCHEID & SAUER BIBUS ICVD
    • ZF
    • ГМП Амкодор
  • Ремонт редукторов
  • Ремонт мостов
    • Carraro
    • Class
    • Dana Spicer
    • JCB
    • Manitou
  • Ремонт пневмогидроаккумуляторов, ПГА с блоком зарядки
  • Ремонт блоков управления (джойстиков)

Подкатегории

Наведите на пункт 3-го уровня, чтобы открыть 4-й уровень.

    Запчасти
    Общий каталог
    • Гидромоторы
      • Героторные
      • Шестеренные
      • Аксиально-поршневые
    • Гидронасосы
      • Шестеренные
      • Аксиально-поршневые
    • Запчасти для гидромоторов
    • Запчасти для гидронасосов
    • Гидростатические трансмиссии (ГСТ 90, ГСТ 112)
    • Гидрораспределители
    • Гидроцилиндры
    • Гидростанции
    • Коробки передач (гмп,акпп)
    • Мембранные насосы
    • Редукторы
    • Пневмогидроаккумуляторы
    • Насос-дозаторы
    • Тормозные краны
    • Гидравлические клапаны (гидроклапаны)
    • Блоки управления/ клапаны управления/ джойстики
    • Погрузочное оборудование
    • Фильтры и фильтроэлементы
      • Гидравлические фильтры
      • Воздушные фильтры
      • Масляные фильтры
      • Топливные фильтры
      • Фильтры охлаждающей жидкости
    • Двигатели
    • Гидроприводы
    • Мосты
    • Муфты, полумуфты, шестерни, шкивы
    • Радиаторы/блоки радиаторов
    • Рамы
    • Резинотехнические изделия (РТИ)
      • Уплотнения штока
      • Уплотнения поршня
      • Грязесъёмники
      • Статические уплотнения
      • Направляющие кольца
      • Манжеты гидравлические (ГОСТ)
      • Уплотнения вала (сальники)
      • Кольца резиновые круглого сечения
      • Шнур резиновый круглого сечения
      • Фторопластовые кольца
      • Другое
    • Шины, колёса, диски
    • Электромагнитные клапана, катушки, соленоиды
    • Электроника для станков ЧПУ (CNC)
    • Ящики складские
    • Другое
    Запчасти для погрузчиков
    • Гидравлика
      • Гидроцилиндры
      • Гидромоторы
      • Гидронасосы
      • Гидрораспределители
      • Джойстики/клапаны управления
      • Пневмогидроаккумуляторы
      • Гидроклапаны
    • Шины, диски, колеса
    • Мосты и комплектующие
    • Редуктор Отбора Мощности (РОМ)
    • ГГМП/АКПП
    • Оборудование погрузочное
    • Карданы
    • Электрика
    • РТИ
    • Рукава РВД
    • Фильтры
    • Амкодор
      • Амкодор 352
      • Амкодор 342/ТО-28Б
      • Амкодор 332/333/ТО18Б
      • Амкодор 371
      • Амкодор 320
      • Амкодор 211
      • Амкодор 527
      • Другое
    • Другое
    Сельхозтехника
    • Трактора
      • МТЗ
      • Кировец
      • John Deere
      • Fendt
      • Claas
      • Case
      • Другое
    • Комбайны
      • Зерноуборочные комбайны
      • Кормоуборочные комбайны
      • Другое
    • Погрузчики
      • Амкодор
      • ВМЕ 1560/1565
      • Manitou
      • Dieci
      • Caterpillar
      • JCB
      • Claas
      • New Holland
      • Case
      • Linde
      • Volvo
      • John Deere
      • МКСМ-800
      • Другое
    • Посевные и почвообрабатывающие агрегаты
      • Плуги
      • Сеялки
      • Картофелесажалки
      • Бороны
      • Культиваторы
      • Другое
    • Прицепы
    • Другая сельхозтехника
    • Косилки
      • Другие
      • К-78М
    Лесная техника
    • Харвестеры
    • Форвардеры
    • Манипуляторы/лесовозные тележки
      • Гидрораспределители
      • Гидронасосы и гидромоторы
      • Гидроцилиндры
      • Ротаторы
      • Фильтры
      • Другое
    • Погрузчики
      • Амкодор
      • ВМЕ 1560/1565
      • Manitou
      • Dieci
      • Caterpillar
      • JCB
      • Claas
      • New Holland
      • Case
      • Linde
      • Volvo
      • John Deere
      • МКСМ-800
      • Другое
    • Рубильные машины
    • Трактора
      • МТЗ
      • Кировец
      • John Deere
      • Fendt
      • Claas
      • Case
      • Другое
    • Другое
    Строительная и дорожная техника
    • Погрузчики
      • Амкодор
      • ВМЕ 1560/1565
      • Manitou
      • Dieci
      • Caterpillar
      • JCB
      • Claas
      • New Holland
      • Case
      • Linde
      • Volvo
      • John Deere
      • МКСМ-800
      • Другое
    • Экскаваторы
      • ЕК/EW/ТВЭКС
      • ЭО
      • JCB
      • Volvo
      • John Deere
      • Doosan
      • Другое
    • Экскаваторы-погрузчики
      • Амкодор/ТО
      • ЮМЗ/ЭО
      • ДЗ
      • ЭБП
      • JCB
      • Volvo
      • Case
      • Caterpillar
      • Bobcat
      • Другое
    • Трактора
      • МТЗ
      • Кировец
      • John Deere
      • Fendt
      • Claas
      • Case
      • Другое
    • Автогрейдеры
      • ГС
      • ДЗ/Д
      • Volvo
      • Амкодор
      • Caterpillar
      • Case
      • Другое
    • Катки
    • Косилки

    Подкатегории

    Наведите на пункт 3-го уровня, чтобы открыть 4-й уровень.

      Статьи
      Контакты
      Отзывы
        Компания
        О компании
        Производители
        Вакансии
        Реквизиты
        Услуги
        Ремонт
        • Ремонт гидравлики
        • Ремонт гидронасосов
          • Bosch Rexroth
          • Sauer Danfoss
          • BONDIOLI & PAVESI
          • Poclain Hydraulics
          • Kawasaki
          • Casappa
          • Parker
          • PWG
          • Гидросила
          • PSM-Hydraulics
          • MOOG
          • Eaton
          • Kayaba
          • Linde
          • Салео (Хорда-Гидравлика, Гидропривод)
          • SAMHYDRAULIK
          • ORENSTEIN & KOPPEL
          • John Deere
        • Ремонт гидромоторов
          • Bosch Rexroth
          • Poclain Hydraulics
          • Parker
          • Sauer Danfoss
          • BONDIOLI & PAVESI
          • Eaton
          • Casappa
          • Салео (Гидропривод)
          • PSM-HYDRAULICS
          • Гидросила
          • Pleiger
          • SAI
          • Linde
          • WHITE DRIVE PRODUCTS
          • Samhydraulik
          • John Deere
          • Liebherr
        • Ремонт гидрораспределителей
          • Bosch Rexroth
          • JCB
          • JOHN DEERE
          • Sauer Danfoss
          • АМКОДОР
        • Ремонт гидроцилиндров
        • Ремонт коробок передач (ГМП, АКПП)
          • Dana Spicer
          • JCB
          • JOHN DEERE
          • Sauer Bibus
          • WALTERSCHEID
          • WALTERSCHEID & SAUER BIBUS ICVD
          • ZF
          • ГМП Амкодор
        • Ремонт редукторов
        • Ремонт мостов
          • Carraro
          • Class
          • Dana Spicer
          • JCB
          • Manitou
        • Ремонт пневмогидроаккумуляторов, ПГА с блоком зарядки
        • Ремонт блоков управления (джойстиков)
        Запчасти
        Общий каталог
        • Гидромоторы
        • Гидронасосы
        • Запчасти для гидромоторов
        • Запчасти для гидронасосов
        • Гидростатические трансмиссии (ГСТ 90, ГСТ 112)
        • Гидрораспределители
        • Гидроцилиндры
        • Гидростанции
        • Коробки передач (гмп,акпп)
        • Мембранные насосы
        • Редукторы
        • Пневмогидроаккумуляторы
        • Насос-дозаторы
        • Тормозные краны
        • Гидравлические клапаны (гидроклапаны)
        • Блоки управления/ клапаны управления/ джойстики
        • Погрузочное оборудование
        • Фильтры и фильтроэлементы
        • Двигатели
        • Гидроприводы
        • Мосты
        • Муфты, полумуфты, шестерни, шкивы
        • Радиаторы/блоки радиаторов
        • Рамы
        • Резинотехнические изделия (РТИ)
        • Шины, колёса, диски
        • Электромагнитные клапана, катушки, соленоиды
        • Электроника для станков ЧПУ (CNC)
        • Ящики складские
        • Другое
        • Ещё
        Запчасти для погрузчиков
        • Гидравлика
        • Шины, диски, колеса
        • Мосты и комплектующие
        • Редуктор Отбора Мощности (РОМ)
        • ГГМП/АКПП
        • Оборудование погрузочное
        • Карданы
        • Электрика
        • РТИ
        • Рукава РВД
        • Фильтры
        • Амкодор
        • Другое
        • Ещё
        Сельхозтехника
        • Трактора
        • Комбайны
        • Погрузчики
        • Посевные и почвообрабатывающие агрегаты
        • Прицепы
        • Другая сельхозтехника
        • Косилки
        Лесная техника
        • Харвестеры
        • Форвардеры
        • Манипуляторы/лесовозные тележки
        • Погрузчики
        • Рубильные машины
        • Трактора
        • Другое
        Строительная и дорожная техника
        • Погрузчики
        • Экскаваторы
        • Экскаваторы-погрузчики
        • Трактора
        • Автогрейдеры
        • Катки
        • Косилки
        Статьи
        Контакты
        Отзывы
        ПромБелКомпани
        Компания
        • О компании
        • Производители
        • Вакансии
        • Реквизиты
        Услуги
        Ремонт
        • Ремонт гидравлики
        • Ремонт гидронасосов
          • Bosch Rexroth
          • Sauer Danfoss
          • BONDIOLI & PAVESI
          • Poclain Hydraulics
          • Kawasaki
          • Casappa
          • Parker
          • PWG
          • Гидросила
          • PSM-Hydraulics
          • MOOG
          • Eaton
          • Kayaba
          • Linde
          • Салео (Хорда-Гидравлика, Гидропривод)
          • SAMHYDRAULIK
          • ORENSTEIN & KOPPEL
          • John Deere
        • Ремонт гидромоторов
          • Bosch Rexroth
          • Poclain Hydraulics
          • Parker
          • Sauer Danfoss
          • BONDIOLI & PAVESI
          • Eaton
          • Casappa
          • Салео (Гидропривод)
          • PSM-HYDRAULICS
          • Гидросила
          • Pleiger
          • SAI
          • Linde
          • WHITE DRIVE PRODUCTS
          • Samhydraulik
          • John Deere
          • Liebherr
        • Ремонт гидрораспределителей
          • Bosch Rexroth
          • JCB
          • JOHN DEERE
          • Sauer Danfoss
          • АМКОДОР
        • Ремонт гидроцилиндров
        • Ремонт коробок передач (ГМП, АКПП)
          • Dana Spicer
          • JCB
          • JOHN DEERE
          • Sauer Bibus
          • WALTERSCHEID
          • WALTERSCHEID & SAUER BIBUS ICVD
          • ZF
          • ГМП Амкодор
        • Ремонт редукторов
        • Ремонт мостов
          • Carraro
          • Class
          • Dana Spicer
          • JCB
          • Manitou
        • Ремонт пневмогидроаккумуляторов, ПГА с блоком зарядки
        • Ремонт блоков управления (джойстиков)

        Подкатегории

        Наведите на пункт 3-го уровня, чтобы открыть 4-й уровень.

          Запчасти
          Общий каталог
          • Гидромоторы
            • Героторные
            • Шестеренные
            • Аксиально-поршневые
          • Гидронасосы
            • Шестеренные
            • Аксиально-поршневые
          • Запчасти для гидромоторов
          • Запчасти для гидронасосов
          • Гидростатические трансмиссии (ГСТ 90, ГСТ 112)
          • Гидрораспределители
          • Гидроцилиндры
          • Гидростанции
          • Коробки передач (гмп,акпп)
          • Мембранные насосы
          • Редукторы
          • Пневмогидроаккумуляторы
          • Насос-дозаторы
          • Тормозные краны
          • Гидравлические клапаны (гидроклапаны)
          • Блоки управления/ клапаны управления/ джойстики
          • Погрузочное оборудование
          • Фильтры и фильтроэлементы
            • Гидравлические фильтры
            • Воздушные фильтры
            • Масляные фильтры
            • Топливные фильтры
            • Фильтры охлаждающей жидкости
          • Двигатели
          • Гидроприводы
          • Мосты
          • Муфты, полумуфты, шестерни, шкивы
          • Радиаторы/блоки радиаторов
          • Рамы
          • Резинотехнические изделия (РТИ)
            • Уплотнения штока
            • Уплотнения поршня
            • Грязесъёмники
            • Статические уплотнения
            • Направляющие кольца
            • Манжеты гидравлические (ГОСТ)
            • Уплотнения вала (сальники)
            • Кольца резиновые круглого сечения
            • Шнур резиновый круглого сечения
            • Фторопластовые кольца
            • Другое
          • Шины, колёса, диски
          • Электромагнитные клапана, катушки, соленоиды
          • Электроника для станков ЧПУ (CNC)
          • Ящики складские
          • Другое
          Запчасти для погрузчиков
          • Гидравлика
            • Гидроцилиндры
            • Гидромоторы
            • Гидронасосы
            • Гидрораспределители
            • Джойстики/клапаны управления
            • Пневмогидроаккумуляторы
            • Гидроклапаны
          • Шины, диски, колеса
          • Мосты и комплектующие
          • Редуктор Отбора Мощности (РОМ)
          • ГГМП/АКПП
          • Оборудование погрузочное
          • Карданы
          • Электрика
          • РТИ
          • Рукава РВД
          • Фильтры
          • Амкодор
            • Амкодор 352
            • Амкодор 342/ТО-28Б
            • Амкодор 332/333/ТО18Б
            • Амкодор 371
            • Амкодор 320
            • Амкодор 211
            • Амкодор 527
            • Другое
          • Другое
          Сельхозтехника
          • Трактора
            • МТЗ
            • Кировец
            • John Deere
            • Fendt
            • Claas
            • Case
            • Другое
          • Комбайны
            • Зерноуборочные комбайны
            • Кормоуборочные комбайны
            • Другое
          • Погрузчики
            • Амкодор
            • ВМЕ 1560/1565
            • Manitou
            • Dieci
            • Caterpillar
            • JCB
            • Claas
            • New Holland
            • Case
            • Linde
            • Volvo
            • John Deere
            • МКСМ-800
            • Другое
          • Посевные и почвообрабатывающие агрегаты
            • Плуги
            • Сеялки
            • Картофелесажалки
            • Бороны
            • Культиваторы
            • Другое
          • Прицепы
          • Другая сельхозтехника
          • Косилки
            • Другие
            • К-78М
          Лесная техника
          • Харвестеры
          • Форвардеры
          • Манипуляторы/лесовозные тележки
            • Гидрораспределители
            • Гидронасосы и гидромоторы
            • Гидроцилиндры
            • Ротаторы
            • Фильтры
            • Другое
          • Погрузчики
            • Амкодор
            • ВМЕ 1560/1565
            • Manitou
            • Dieci
            • Caterpillar
            • JCB
            • Claas
            • New Holland
            • Case
            • Linde
            • Volvo
            • John Deere
            • МКСМ-800
            • Другое
          • Рубильные машины
          • Трактора
            • МТЗ
            • Кировец
            • John Deere
            • Fendt
            • Claas
            • Case
            • Другое
          • Другое
          Строительная и дорожная техника
          • Погрузчики
            • Амкодор
            • ВМЕ 1560/1565
            • Manitou
            • Dieci
            • Caterpillar
            • JCB
            • Claas
            • New Holland
            • Case
            • Linde
            • Volvo
            • John Deere
            • МКСМ-800
            • Другое
          • Экскаваторы
            • ЕК/EW/ТВЭКС
            • ЭО
            • JCB
            • Volvo
            • John Deere
            • Doosan
            • Другое
          • Экскаваторы-погрузчики
            • Амкодор/ТО
            • ЮМЗ/ЭО
            • ДЗ
            • ЭБП
            • JCB
            • Volvo
            • Case
            • Caterpillar
            • Bobcat
            • Другое
          • Трактора
            • МТЗ
            • Кировец
            • John Deere
            • Fendt
            • Claas
            • Case
            • Другое
          • Автогрейдеры
            • ГС
            • ДЗ/Д
            • Volvo
            • Амкодор
            • Caterpillar
            • Case
            • Другое
          • Катки
          • Косилки

          Подкатегории

          Наведите на пункт 3-го уровня, чтобы открыть 4-й уровень.

            Статьи
            Контакты
            Отзывы
              ПромБелКомпани
              • Компания
                • Назад
                • Компания
                • О компании
                • Производители
                • Вакансии
                • Реквизиты
              • Услуги
                • Назад
                • Услуги
                • Ремонт
                  • Назад
                  • Ремонт
                  • Ремонт гидравлики
                  • Ремонт гидронасосов
                    • Назад
                    • Ремонт гидронасосов
                    • Bosch Rexroth
                    • Sauer Danfoss
                    • BONDIOLI & PAVESI
                    • Poclain Hydraulics
                    • Kawasaki
                    • Casappa
                    • Parker
                    • PWG
                    • Гидросила
                    • PSM-Hydraulics
                    • MOOG
                    • Eaton
                    • Kayaba
                    • Linde
                    • Салео (Хорда-Гидравлика, Гидропривод)
                    • SAMHYDRAULIK
                    • ORENSTEIN & KOPPEL
                    • John Deere
                  • Ремонт гидромоторов
                    • Назад
                    • Ремонт гидромоторов
                    • Bosch Rexroth
                    • Poclain Hydraulics
                    • Parker
                    • Sauer Danfoss
                    • BONDIOLI & PAVESI
                    • Eaton
                    • Casappa
                    • Салео (Гидропривод)
                    • PSM-HYDRAULICS
                    • Гидросила
                    • Pleiger
                    • SAI
                    • Linde
                    • WHITE DRIVE PRODUCTS
                    • Samhydraulik
                    • John Deere
                    • Liebherr
                  • Ремонт гидрораспределителей
                    • Назад
                    • Ремонт гидрораспределителей
                    • Bosch Rexroth
                    • JCB
                    • JOHN DEERE
                    • Sauer Danfoss
                    • АМКОДОР
                  • Ремонт гидроцилиндров
                  • Ремонт коробок передач (ГМП, АКПП)
                    • Назад
                    • Ремонт коробок передач (ГМП, АКПП)
                    • Dana Spicer
                    • JCB
                    • JOHN DEERE
                    • Sauer Bibus
                    • WALTERSCHEID
                    • WALTERSCHEID & SAUER BIBUS ICVD
                    • ZF
                    • ГМП Амкодор
                  • Ремонт редукторов
                  • Ремонт мостов
                    • Назад
                    • Ремонт мостов
                    • Carraro
                    • Class
                    • Dana Spicer
                    • JCB
                    • Manitou
                  • Ремонт пневмогидроаккумуляторов, ПГА с блоком зарядки
                  • Ремонт блоков управления (джойстиков)
              • Запчасти
                • Назад
                • Запчасти
                • Общий каталог
                  • Назад
                  • Общий каталог
                  • Гидромоторы
                    • Назад
                    • Гидромоторы
                    • Героторные
                    • Шестеренные
                    • Аксиально-поршневые
                  • Гидронасосы
                    • Назад
                    • Гидронасосы
                    • Шестеренные
                    • Аксиально-поршневые
                  • Запчасти для гидромоторов
                  • Запчасти для гидронасосов
                  • Гидростатические трансмиссии (ГСТ 90, ГСТ 112)
                  • Гидрораспределители
                  • Гидроцилиндры
                  • Гидростанции
                  • Коробки передач (гмп,акпп)
                  • Мембранные насосы
                  • Редукторы
                  • Пневмогидроаккумуляторы
                  • Насос-дозаторы
                  • Тормозные краны
                  • Гидравлические клапаны (гидроклапаны)
                  • Блоки управления/ клапаны управления/ джойстики
                  • Погрузочное оборудование
                  • Фильтры и фильтроэлементы
                    • Назад
                    • Фильтры и фильтроэлементы
                    • Гидравлические фильтры
                    • Воздушные фильтры
                    • Масляные фильтры
                    • Топливные фильтры
                    • Фильтры охлаждающей жидкости
                  • Двигатели
                  • Гидроприводы
                  • Мосты
                  • Муфты, полумуфты, шестерни, шкивы
                  • Радиаторы/блоки радиаторов
                  • Рамы
                  • Резинотехнические изделия (РТИ)
                    • Назад
                    • Резинотехнические изделия (РТИ)
                    • Уплотнения штока
                    • Уплотнения поршня
                    • Грязесъёмники
                    • Статические уплотнения
                    • Направляющие кольца
                    • Манжеты гидравлические (ГОСТ)
                    • Уплотнения вала (сальники)
                    • Кольца резиновые круглого сечения
                    • Шнур резиновый круглого сечения
                    • Фторопластовые кольца
                    • Другое
                  • Шины, колёса, диски
                  • Электромагнитные клапана, катушки, соленоиды
                  • Электроника для станков ЧПУ (CNC)
                  • Ящики складские
                  • Другое
                • Запчасти для погрузчиков
                  • Назад
                  • Запчасти для погрузчиков
                  • Гидравлика
                    • Назад
                    • Гидравлика
                    • Гидроцилиндры
                    • Гидромоторы
                    • Гидронасосы
                    • Гидрораспределители
                    • Джойстики/клапаны управления
                    • Пневмогидроаккумуляторы
                    • Гидроклапаны
                  • Шины, диски, колеса
                  • Мосты и комплектующие
                  • Редуктор Отбора Мощности (РОМ)
                  • ГГМП/АКПП
                  • Оборудование погрузочное
                  • Карданы
                  • Электрика
                  • РТИ
                  • Рукава РВД
                  • Фильтры
                  • Амкодор
                    • Назад
                    • Амкодор
                    • Амкодор 352
                    • Амкодор 342/ТО-28Б
                    • Амкодор 332/333/ТО18Б
                    • Амкодор 371
                    • Амкодор 320
                    • Амкодор 211
                    • Амкодор 527
                    • Другое
                  • Другое
                • Сельхозтехника
                  • Назад
                  • Сельхозтехника
                  • Трактора
                    • Назад
                    • Трактора
                    • МТЗ
                    • Кировец
                    • John Deere
                    • Fendt
                    • Claas
                    • Case
                    • Другое
                  • Комбайны
                    • Назад
                    • Комбайны
                    • Зерноуборочные комбайны
                    • Кормоуборочные комбайны
                    • Другое
                  • Погрузчики
                    • Назад
                    • Погрузчики
                    • Амкодор
                    • ВМЕ 1560/1565
                    • Manitou
                    • Dieci
                    • Caterpillar
                    • JCB
                    • Claas
                    • New Holland
                    • Case
                    • Linde
                    • Volvo
                    • John Deere
                    • МКСМ-800
                    • Другое
                  • Посевные и почвообрабатывающие агрегаты
                    • Назад
                    • Посевные и почвообрабатывающие агрегаты
                    • Плуги
                    • Сеялки
                    • Картофелесажалки
                    • Бороны
                    • Культиваторы
                    • Другое
                  • Прицепы
                  • Другая сельхозтехника
                  • Косилки
                    • Назад
                    • Косилки
                    • Другие
                    • К-78М
                • Лесная техника
                  • Назад
                  • Лесная техника
                  • Харвестеры
                  • Форвардеры
                  • Манипуляторы/лесовозные тележки
                    • Назад
                    • Манипуляторы/лесовозные тележки
                    • Гидрораспределители
                    • Гидронасосы и гидромоторы
                    • Гидроцилиндры
                    • Ротаторы
                    • Фильтры
                    • Другое
                  • Погрузчики
                    • Назад
                    • Погрузчики
                    • Амкодор
                    • ВМЕ 1560/1565
                    • Manitou
                    • Dieci
                    • Caterpillar
                    • JCB
                    • Claas
                    • New Holland
                    • Case
                    • Linde
                    • Volvo
                    • John Deere
                    • МКСМ-800
                    • Другое
                  • Рубильные машины
                  • Трактора
                    • Назад
                    • Трактора
                    • МТЗ
                    • Кировец
                    • John Deere
                    • Fendt
                    • Claas
                    • Case
                    • Другое
                  • Другое
                • Строительная и дорожная техника
                  • Назад
                  • Строительная и дорожная техника
                  • Погрузчики
                    • Назад
                    • Погрузчики
                    • Амкодор
                    • ВМЕ 1560/1565
                    • Manitou
                    • Dieci
                    • Caterpillar
                    • JCB
                    • Claas
                    • New Holland
                    • Case
                    • Linde
                    • Volvo
                    • John Deere
                    • МКСМ-800
                    • Другое
                  • Экскаваторы
                    • Назад
                    • Экскаваторы
                    • ЕК/EW/ТВЭКС
                    • ЭО
                    • JCB
                    • Volvo
                    • John Deere
                    • Doosan
                    • Другое
                  • Экскаваторы-погрузчики
                    • Назад
                    • Экскаваторы-погрузчики
                    • Амкодор/ТО
                    • ЮМЗ/ЭО
                    • ДЗ
                    • ЭБП
                    • JCB
                    • Volvo
                    • Case
                    • Caterpillar
                    • Bobcat
                    • Другое
                  • Трактора
                    • Назад
                    • Трактора
                    • МТЗ
                    • Кировец
                    • John Deere
                    • Fendt
                    • Claas
                    • Case
                    • Другое
                  • Автогрейдеры
                    • Назад
                    • Автогрейдеры
                    • ГС
                    • ДЗ/Д
                    • Volvo
                    • Амкодор
                    • Caterpillar
                    • Case
                    • Другое
                  • Катки
                  • Косилки
              • Статьи
              • Контакты
              • Отзывы
              • +375 33 366-99-27
                • +375 33 366-99-27
                • +375 33 366-99-64
                • Заказать звонок
              Барановичи ул. Брестская,124Г
              prombelcompani@gmail.com
              • Главная
              • Запчасти
              • Запчасти для погрузчиков
              • Запчасти для погрузчиков Амкодор
              • Запчасти для погрузчиков Амкодор 211
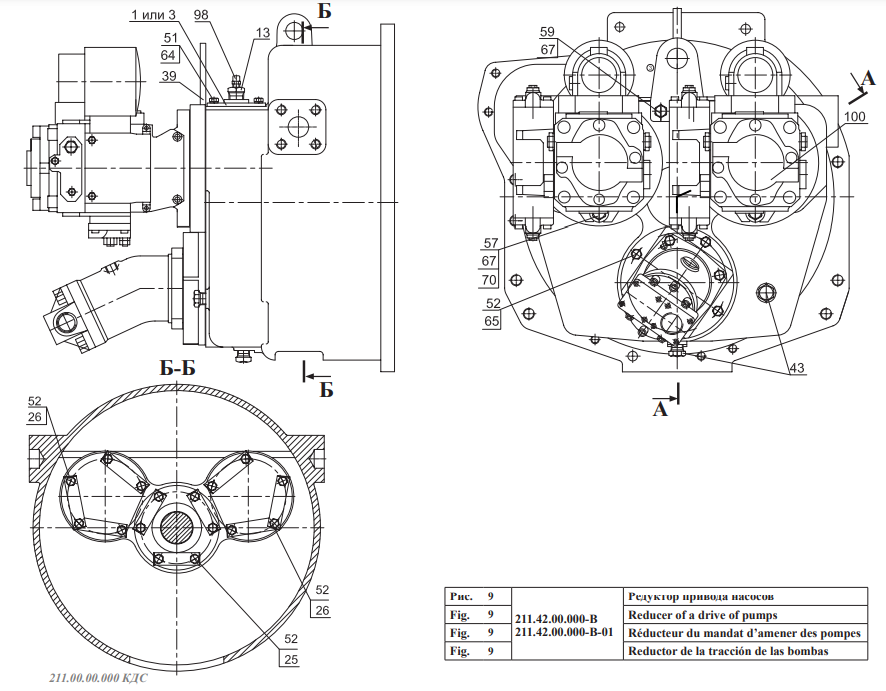
              • Редуктор привода насосов (РОМ) А211 211.42.00.000 ( 211.42.00.000-В-01 под шестеренный гидронасос Bondioli & Pavesi HPLPA.3.36.S.Z.1.N7N6.B.ST / 211.42.00.300 ) для погрузчика Амкодор 211

              Амкодор
              В наличии

              Редуктор привода насосов (РОМ) А211  211.42.00.000 ( 211.42.00.000-В-01 под шестеренный гидронасос Bondioli & Pavesi  HPLPA.3.36.S.Z.1.N7N6.B.ST / 211.42.00.300 )
              Применяемость: погрузчик Амкодор 211

              Стоимость уточняйте у менеджера
              Заказать товар
              Задать вопрос
              • Редуктор привода насосов (РОМ) А211  211.42.00.000 ( 211.42.00.000-В-01 под шестеренный гидронасос Bondioli & Pavesi  HPLPA.3.36.S.Z.1.N7N6.B.ST / 211.42.00.300 ) для погрузчика Амкодор 211
              • Редуктор привода насосов (РОМ) А211  211.42.00.000 ( 211.42.00.000-В-01 под шестеренный гидронасос Bondioli & Pavesi  HPLPA.3.36.S.Z.1.N7N6.B.ST / 211.42.00.300 ) для погрузчика Амкодор 211
              • Редуктор привода насосов (РОМ) А211  211.42.00.000 ( 211.42.00.000-В-01 под шестеренный гидронасос Bondioli & Pavesi  HPLPA.3.36.S.Z.1.N7N6.B.ST / 211.42.00.300 ) для погрузчика Амкодор 211
              • Редуктор привода насосов (РОМ) А211  211.42.00.000 ( 211.42.00.000-В-01 под шестеренный гидронасос Bondioli & Pavesi  HPLPA.3.36.S.Z.1.N7N6.B.ST / 211.42.00.300 ) для погрузчика Амкодор 211
              • Характеристики
              • Дополнительно
              Характеристики
              Модель 211 211.42.00.000
              Дополнительно

              Для оформления заказа Вы можете воспользоваться любым удобным для Вас способом:

              •  Консультация специалиста: +375 33 366 99 64

              •  Сообщение в viber, telegram, whatsApp: +375(33) 366 99 64

              •  Заявка на электронный адрес: prombelcompani@gmail.com

              Все предложения, опубликованные на сайте, не являются публичной офертой. Подробную информацию о товарах (наличии, производителе, стоимости)  уточняйте у наших специалистов! 

              Оплата осуществляется по безналичному расчету. 

              Доставка товара осуществляется любым удобным для Вас способом: самовывоз, доставка товара с помощью проверенных транспортных компаний (ООО «Автолайтэкспресс», DPD и др.)

              По любым вопросам вы всегда можете связаться с нашими специалистами по номерам: +375333669964, +375333669927.

              Товары
              Картинка запчастей: Редуктор привода насосов (РОМ) А211  211.42.00.000 ( 211.42.00.000-В под аксиально-поршневой гидронасос PSM 310.2.28.06.05 / 211.42.00.100-А ) для погрузчика Амкодор-211
              Общий каталог , Запчасти для погрузчиков, Сельхозтехника, Лесная техника, Строительная и дорожная техника, Редукторы, Амкодор, Амкодор 211, Гидравлика, Другое, Погрузчики, Амкодор, Амкодор 211, Гидравлика, Другое, Погрузчики, Погрузчики, Амкодор, Амкодор, Амкодор 211, Гидравлика, Амкодор 211, Гидравлика, Другое, Гидравлика
              Редуктор привода насосов (РОМ) А211 211.42.00.000 ( 211.42.00.000-В под аксиально-поршневой гидронасос PSM 310.2.28.06.05 / 211.42.00.100-А ) для погрузчика Амкодор-211
              В наличии
              Стоимость уточняйте у менеджера
              Заказать
              Картинка запчастей: GFT17T2 Редуктор хода / планетарный редуктор Bosch Rexroth GFT 17 T2 8734 / R916014199 / 1007792082/ 11   ( в сборе с гидромотором)
              Общий каталог , Мосты
              GFT17T2 Редуктор хода / планетарный редуктор Bosch Rexroth GFT 17 T2 8734 / R916014199 / 1007792082/ 11 ( в сборе с гидромотором)
              В наличии
              Стоимость уточняйте у менеджера
              Заказать
              Картинка 655 350 0320 80 редуктор моста / центральный редуктор /  главная передача mercedes-benz 655350032080 6x6 (17:29)
              Общий каталог , Редукторы
              655 350 0320 80 Редуктор моста / центральный редуктор / главная передача MERCEDES-BENZ 655350032080 6X6 (17:29)
              В наличии
              Стоимость уточняйте у менеджера
              Заказать
              Картинка коробка передач, редуктор привода питателя claas 09873440 для claas jaguar  810
              Общий каталог , Сельхозтехника, Коробки передач (гмп,акпп), Комбайны, Кормоуборочные комбайны, Claas
              Коробка передач, редуктор привода питателя Claas 09873440 для Claas Jaguar 810
              Подробнее
              Картинка редуктор привода хода pmc 3000 (bonfiglioli 707c, brevini: ctu3200.1,  regiana: rrtd 2400) для эо 3223
              Общий каталог , Строительная и дорожная техника, Редукторы, Экскаваторы, ЭО
              Редуктор привода хода PMC 3000 (Bonfiglioli 707C, Brevini: CTU3200.1, Regiana: RRTD 2400) для ЭО 3223
              Подробнее

              Поделиться
              Назад к списку
              • Общий каталог
                • Гидромоторы
                  • Героторные
                  • Шестеренные
                  • Аксиально-поршневые
                • Гидронасосы
                  • Шестеренные
                  • Аксиально-поршневые
                • Запчасти для гидромоторов
                • Запчасти для гидронасосов
                • Гидростатические трансмиссии (ГСТ 90, ГСТ 112)
                • Гидрораспределители
                • Гидроцилиндры
                • Гидростанции
                • Коробки передач (гмп,акпп)
                • Мембранные насосы
                • Редукторы
                • Пневмогидроаккумуляторы
                • Насос-дозаторы
                • Тормозные краны
                • Гидравлические клапаны (гидроклапаны)
                • Блоки управления/ клапаны управления/ джойстики
                • Погрузочное оборудование
                • Фильтры и фильтроэлементы
                  • Гидравлические фильтры
                  • Воздушные фильтры
                  • Масляные фильтры
                  • Топливные фильтры
                  • Фильтры охлаждающей жидкости
                • Двигатели
                • Гидроприводы
                • Мосты
                • Муфты, полумуфты, шестерни, шкивы
                • Радиаторы/блоки радиаторов
                • Рамы
                • Резинотехнические изделия (РТИ)
                  • Уплотнения штока
                  • Уплотнения поршня
                  • Грязесъёмники
                  • Статические уплотнения
                  • Направляющие кольца
                  • Манжеты гидравлические (ГОСТ)
                  • Уплотнения вала (сальники)
                  • Кольца резиновые круглого сечения
                  • Шнур резиновый круглого сечения
                  • Фторопластовые кольца
                  • Другое
                • Шины, колёса, диски
                • Электромагнитные клапана, катушки, соленоиды
                • Электроника для станков ЧПУ (CNC)
                • Ящики складские
                • Другое
              • Запчасти для погрузчиков
                • Гидравлика
                  • Гидроцилиндры
                  • Гидромоторы
                  • Гидронасосы
                  • Гидрораспределители
                  • Джойстики/клапаны управления
                  • Пневмогидроаккумуляторы
                  • Гидроклапаны
                • Шины, диски, колеса
                • Мосты и комплектующие
                • Редуктор Отбора Мощности (РОМ)
                • ГГМП/АКПП
                • Оборудование погрузочное
                • Карданы
                • Электрика
                • РТИ
                • Рукава РВД
                • Фильтры
                • Амкодор
                  • Амкодор 352
                    • Гидравлика
                    • Колеса и мосты
                    • Редуктор Отбора Мощности (РОМ)
                    • Оборудование погрузочное
                    • Карданы
                    • Фильтры
                    • Рукава РВД
                    • РТИ
                    • Другое
                  • Амкодор 342/ТО-28Б
                    • Гидравлика
                    • Колеса и мосты
                    • Редуктор Отбора Мощности (РОМ)
                    • Оборудование погрузочное
                    • Карданы
                    • Фильтры
                    • Рукава РВД
                    • РТИ
                    • Другое
                  • Амкодор 332/333/ТО18Б
                    • Гидравлика
                    • Колеса и мосты
                    • Редуктор Отбора Мощности (РОМ)
                    • Оборудование погрузочное
                    • Карданы
                    • Фильтры
                    • Рукава РВД
                    • РТИ
                    • Другое
                  • Амкодор 371
                    • Гидравлика
                    • Колеса и мосты
                    • Редуктор Отбора Мощности (РОМ)
                    • Оборудование погрузочное
                    • Карданы
                    • Фильтры
                    • Рукава РВД
                    • РТИ
                    • Другое
                  • Амкодор 320
                    • Гидравлика
                    • Колеса и мосты
                    • Редуктор Отбора Мощности (РОМ)
                    • Оборудование погрузочное
                    • Карданы
                    • Фильтры
                    • Рукава РВД
                    • РТИ
                    • Другое
                  • Амкодор 211
                    • Гидравлика
                    • Колеса и мосты
                    • Редуктор Отбора Мощности (РОМ)
                    • Оборудование погрузочное
                    • Карданы
                    • Фильтры
                    • Рукава РВД
                    • РТИ
                    • Другое
                  • Амкодор 527
                    • Гидравлика
                    • Колеса и мосты
                    • Редуктор Отбора Мощности (РОМ)
                    • Оборудование погрузочное
                    • Карданы
                    • Фильтры
                    • Рукава РВД
                    • РТИ
                    • Другое
                  • Другое
                • Другое
              • Сельхозтехника
                • Трактора
                  • МТЗ
                    • МТЗ 320.4
                      • Гидравлика
                      • Рулевое управление
                      • Электрооборудование
                      • Рукава РВД
                      • Фильтры
                      • Другое
                    • МТЗ-80/82
                      • Гидравлика
                      • Рулевое управление
                      • Электрооборудование
                      • Рукава РВД
                      • Фильтры
                      • Другое
                    • МТЗ-920
                      • Гидравлика
                      • Рулевое управление
                      • Электрооборудование
                      • Рукава РВД
                      • Фильтры
                      • Другое
                    • МТЗ-1221
                      • Гидравлика
                      • Рулевое управление
                      • Электрооборудование
                      • Рукава РВД
                      • Фильтры
                      • Другое
                    • МТЗ-1523
                      • Гидравлика
                      • Рулевое управление
                      • Электрооборудование
                      • Рукава РВД
                      • Фильтры
                      • Другое
                    • МТЗ-2522
                      • Гидравлика
                      • Рулевое управление
                      • Электрооборудование
                      • Рукава РВД
                      • Фильтры
                      • Другое
                    • МТЗ-2822
                      • Гидравлика
                      • Рулевое управление
                      • Электрооборудование
                      • Рукава РВД
                      • Фильтры
                      • Другое
                    • МТЗ-3022
                      • Гидравлика
                      • Рулевое управление
                      • Электрооборудование
                      • Рукава РВД
                      • Фильтры
                      • Другое
                    • МТЗ-3522
                      • Гидравлика
                      • Рулевое управление
                      • Электрооборудование
                      • Рукава РВД
                      • Фильтры
                      • Другое
                  • Кировец
                  • John Deere
                  • Fendt
                  • Claas
                  • Case
                  • Другое
                • Комбайны
                  • Зерноуборочные комбайны
                    • Гомсельмаш
                    • Лида
                    • Case
                    • John Deere
                    • Claas
                    • New Holland
                    • Acros
                    • Другое
                  • Кормоуборочные комбайны
                    • Гомсельмаш
                    • картофелеуборочный комбайн ПКК-2-05
                    • Case
                    • John Deere
                    • Claas
                    • Holmer
                    • Kleine
                    • Vervaet
                    • Big X Krone
                    • Другое
                    • Grimme
                  • Другое
                • Погрузчики
                  • Амкодор
                    • Амкодор 352
                      • Гидравлика
                      • Установка колес и мостов
                      • Редуктор Отбора Мощности (РОМ)
                      • Оборудование погрузочное
                      • Карданы
                      • Фильтры
                      • Рукава РВД
                      • РТИ
                      • Другое
                    • Амкодор 342/ТО-28Б
                      • Гидравлика
                      • Установка колес и мостов
                      • Редуктор Отбора Мощности (РОМ)
                      • Оборудование погрузочное
                      • Карданы
                      • Фильтры
                      • Рукава РВД
                      • РТИ
                      • Другое
                    • Амкодор 332/333/ТО18Б
                      • Гидравлика
                      • Установка колес и мостов
                      • Редуктор Отбора Мощности (РОМ)
                      • Оборудование погрузочное
                      • Карданы
                      • Фильтры
                      • Рукава РВД
                      • РТИ
                      • Другое
                    • Амкодор 371
                      • Гидравлика
                      • Установка колес и мостов
                      • Редуктор Отбора Мощности (РОМ)
                      • Оборудование погрузочное
                      • Карданы
                      • Фильтры
                      • Рукава РВД
                      • РТИ
                      • Другое
                    • Амкодор 320
                      • Гидравлика
                      • Установка колес и мостов
                      • Редуктор Отбора Мощности (РОМ)
                      • Оборудование погрузочное
                      • Карданы
                      • Фильтры
                      • Рукава РВД
                      • РТИ
                      • Другое
                    • Амкодор 211
                      • Гидравлика
                      • Установка колес и мостов
                      • Редуктор Отбора Мощности (РОМ)
                      • Оборудование погрузочное
                      • Карданы
                      • Фильтры
                      • Рукава РВД
                      • РТИ
                      • Другое
                    • Амкодор 527
                      • Гидравлика
                      • Установка колес и мостов
                      • Редуктор Отбора Мощности (РОМ)
                      • Оборудование погрузочное
                      • Карданы
                      • Фильтры
                      • Рукава РВД
                      • РТИ
                      • Другое
                    • Другое
                  • ВМЕ 1560/1565
                  • Manitou
                  • Dieci
                  • Caterpillar
                  • JCB
                  • Claas
                  • New Holland
                  • Case
                  • Linde
                  • Volvo
                  • John Deere
                  • МКСМ-800
                  • Другое
                • Посевные и почвообрабатывающие агрегаты
                  • Плуги
                  • Сеялки
                  • Картофелесажалки
                  • Бороны
                  • Культиваторы
                  • Другое
                • Прицепы
                • Другая сельхозтехника
                • Косилки
                  • Другие
                  • К-78М
              • Лесная техника
                • Харвестеры
                • Форвардеры
                • Манипуляторы/лесовозные тележки
                  • Гидрораспределители
                  • Гидронасосы и гидромоторы
                  • Гидроцилиндры
                  • Ротаторы
                  • Фильтры
                  • Другое
                • Погрузчики
                  • Амкодор
                    • Амкодор 352
                      • Гидравлика
                      • Установка колес и мостов
                      • Редуктор Отбора Мощности (РОМ)
                      • Оборудование погрузочное
                      • Карданы
                      • Фильтры
                      • Рукава РВД
                      • РТИ
                      • Другое
                    • Амкодор 342/ТО-28Б
                      • Гидравлика
                      • Установка колес и мостов
                      • Редуктор Отбора Мощности (РОМ)
                      • Оборудование погрузочное
                      • Карданы
                      • Фильтры
                      • Рукава РВД
                      • РТИ
                      • Другое
                    • Амкодор 332/333/ТО18Б
                      • Гидравлика
                      • Установка колес и мостов
                      • Редуктор Отбора Мощности (РОМ)
                      • Оборудование погрузочное
                      • Карданы
                      • Фильтры
                      • Рукава РВД
                      • РТИ
                      • Другое
                    • Амкодор 371
                      • Гидравлика
                      • Установка колес и мостов
                      • Редуктор Отбора Мощности (РОМ)
                      • Оборудование погрузочное
                      • Карданы
                      • Фильтры
                      • Рукава РВД
                      • РТИ
                      • Другое
                    • Амкодор 320
                      • Гидравлика
                      • Установка колес и мостов
                      • Редуктор Отбора Мощности (РОМ)
                      • Оборудование погрузочное
                      • Карданы
                      • Фильтры
                      • Рукава РВД
                      • РТИ
                      • Другое
                    • Амкодор 211
                      • Гидравлика
                      • Установка колес и мостов
                      • Редуктор Отбора Мощности (РОМ)
                      • Оборудование погрузочное
                      • Карданы
                      • Фильтры
                      • Рукава РВД
                      • РТИ
                      • Другое
                    • Амкодор 527
                      • Гидравлика
                      • Установка колес и мостов
                      • Редуктор Отбора Мощности (РОМ)
                      • Оборудование погрузочное
                      • Карданы
                      • Фильтры
                      • Рукава РВД
                      • РТИ
                      • Другое
                    • Другое
                  • ВМЕ 1560/1565
                  • Manitou
                  • Dieci
                  • Caterpillar
                  • JCB
                  • Claas
                  • New Holland
                  • Case
                  • Linde
                  • Volvo
                  • John Deere
                  • МКСМ-800
                  • Другое
                • Рубильные машины
                • Трактора
                  • МТЗ
                    • МТЗ 320.4
                      • Гидравлика
                      • Рулевое управление
                      • Электрооборудовоние
                      • Рукава РВД
                      • Фильтры
                      • Другое
                    • МТЗ-80/82
                      • Гидравлика
                      • Рулевое управление
                      • Электрооборудовоние
                      • Рукава РВД
                      • Фильтры
                      • Другое
                    • МТЗ-920
                      • Гидравлика
                      • Рулевое управление
                      • Электрооборудовоние
                      • Рукава РВД
                      • Фильтры
                      • Другое
                    • МТЗ-1221
                      • Гидравлика
                      • Рулевое управление
                      • Электрооборудовоние
                      • Рукава РВД
                      • Фильтры
                      • Другое
                    • МТЗ-1523
                      • Гидравлика
                      • Рулевое управление
                      • Электрооборудовоние
                      • Рукава РВД
                      • Фильтры
                      • Другое
                    • МТЗ-2522
                      • Гидравлика
                      • Рулевое управление
                      • Электрооборудовоние
                      • Рукава РВД
                      • Фильтры
                      • Другое
                    • МТЗ-2822
                      • Гидравлика
                      • Рулевое управление
                      • Электрооборудовоние
                      • Рукава РВД
                      • Фильтры
                      • Другое
                    • МТЗ-3022
                      • Гидравлика
                      • Рулевое управление
                      • Электрооборудовоние
                      • Рукава РВД
                      • Фильтры
                      • Другое
                    • МТЗ-3522
                      • Гидравлика
                      • Рулевое управление
                      • Электрооборудовоние
                      • Рукава РВД
                      • Фильтры
                      • Другое
                  • Кировец
                  • John Deere
                  • Fendt
                  • Claas
                  • Case
                  • Другое
                • Другое
              • Строительная и дорожная техника
                • Погрузчики
                  • Амкодор
                    • Амкодор 352
                      • Гидравлика
                      • Установка колес и мостов
                      • Редуктор Отбора Мощности (РОМ)
                      • Оборудование погрузочное
                      • Карданы
                      • Фильтры
                      • Рукава РВД
                      • РТИ
                      • Другое
                    • Амкодор 342/ТО-28Б
                      • Гидравлика
                      • Установка колес и мостов
                      • Редуктор Отбора Мощности (РОМ)
                      • Оборудование погрузочное
                      • Карданы
                      • Фильтры
                      • Рукава РВД
                      • РТИ
                      • Другое
                    • Амкодор 332/333/ТО18Б
                      • Гидравлика
                      • Установка колес и мостов
                      • Редуктор Отбора Мощности (РОМ)
                      • Оборудование погрузочное
                      • Карданы
                      • Фильтры
                      • Рукава РВД
                      • РТИ
                      • Другое
                    • Амкодор 371
                      • Гидравлика
                      • Установка колес и мостов
                      • Редуктор Отбора Мощности (РОМ)
                      • Оборудование погрузочное
                      • Карданы
                      • Фильтры
                      • Рукава РВД
                      • РТИ
                      • Другое
                    • Амкодор 320
                      • Гидравлика
                      • Установка колес и мостов
                      • Редуктор Отбора Мощности (РОМ)
                      • Оборудование погрузочное
                      • Карданы
                      • Фильтры
                      • Рукава РВД
                      • РТИ
                      • Другое
                    • Амкодор 211
                      • Гидравлика
                      • Установка колес и мостов
                      • Редуктор Отбора Мощности (РОМ)
                      • Оборудование погрузочное
                      • Карданы
                      • Фильтры
                      • Рукава РВД
                      • РТИ
                      • Другое
                    • Амкодор 527
                      • Гидравлика
                      • Установка колес и мостов
                      • Редуктор Отбора Мощности (РОМ)
                      • Оборудование погрузочное
                      • Карданы
                      • Фильтры
                      • Рукава РВД
                      • РТИ
                      • Другое
                    • Другое
                  • ВМЕ 1560/1565
                  • Manitou
                  • Dieci
                  • Caterpillar
                  • JCB
                  • Claas
                  • New Holland
                  • Case
                  • Linde
                  • Volvo
                  • John Deere
                  • МКСМ-800
                  • Другое
                • Экскаваторы
                  • ЕК/EW/ТВЭКС
                  • ЭО
                  • JCB
                  • Volvo
                  • John Deere
                  • Doosan
                  • Другое
                • Экскаваторы-погрузчики
                  • Амкодор/ТО
                  • ЮМЗ/ЭО
                  • ДЗ
                  • ЭБП
                  • JCB
                  • Volvo
                  • Case
                  • Caterpillar
                  • Bobcat
                  • Другое
                • Трактора
                  • МТЗ
                    • МТЗ 320.4
                      • Гидравлика
                      • Рулевое управление
                      • Электрооборудовоние
                      • Рукава РВД
                      • Фильтры
                      • Другое
                    • МТЗ-80/82
                      • Гидравлика
                      • Рулевое управление
                      • Электрооборудовоние
                      • Рукава РВД
                      • Фильтры
                      • Другое
                    • МТЗ-920
                      • Гидравлика
                      • Рулевое управление
                      • Электрооборудовоние
                      • Рукава РВД
                      • Фильтры
                      • Другое
                    • МТЗ-1221
                      • Гидравлика
                      • Рулевое управление
                      • Электрооборудовоние
                      • Рукава РВД
                      • Фильтры
                      • Другое
                    • МТЗ-1523
                      • Гидравлика
                      • Рулевое управление
                      • Электрооборудовоние
                      • Рукава РВД
                      • Фильтры
                      • Другое
                    • МТЗ-2522
                      • Гидравлика
                      • Рулевое управление
                      • Электрооборудовоние
                      • Рукава РВД
                      • Фильтры
                      • Другое
                    • МТЗ-2822
                      • Гидравлика
                      • Рулевое управление
                      • Электрооборудовоние
                      • Рукава РВД
                      • Фильтры
                      • Другое
                    • МТЗ-3022
                      • Гидравлика
                      • Рулевое управление
                      • Электрооборудовоние
                      • Рукава РВД
                      • Фильтры
                      • Другое
                    • МТЗ-3522
                      • Гидравлика
                      • Рулевое управление
                      • Электрооборудовоние
                      • Рукава РВД
                      • Фильтры
                      • Другое
                  • Кировец
                  • John Deere
                  • Fendt
                  • Claas
                  • Case
                  • Другое
                • Автогрейдеры
                  • ГС
                  • ДЗ/Д
                  • Volvo
                  • Амкодор
                  • Caterpillar
                  • Case
                  • Другое
                • Катки
                • Косилки
              Нужна консультация?
              Подробно расскажем о сроках и стоимости услуг
              Задать вопрос
              ПромБелКомпани
              Барановичи ул. Брестская,124Г
              +375 33 366-99-27
              +375 33 366-99-64
              Заказать звонок
              prombelcompani@gmail.com
              Подписка на рассылку
              Компания
              О компании
              Производители
              Вакансии
              Реквизиты
              Услуги
              Ремонт
              Политика обработки файлов cookie
              Соглашение на обработку данных

              Общество с ограниченной ответственностью «ПромБелКомпани»
              УНП: 193257545
              Юридический адрес: РБ 220036 г. Минск, Бетонный проезд, 19 А, каб. 306
              Фактический адрес: Брестская обл, г. Барановичи, ул. Брестская,124Г
              Телефон, факс: +375333669971
              Электронная почта: prombelcompani@gmail.com
              Банковские реквизиты: BY04 BELB 3012 0167 QQ00 1022 6000 в ОАО «БанкБелВЭБ» код BELBBY2Х , г. Минск

              © 2026 Все права защищены.

              Мы используем файлы cookies для улучшения работы сайта. Оставаясь на нашем сайте, вы соглашаетесь с условиями использования файлов cookies. Чтобы ознакомиться с нашими Положениями о конфиденциальности и об использовании файлов cookie, нажмите здесь.